Инструменты
Jump to navigation
Jump to search
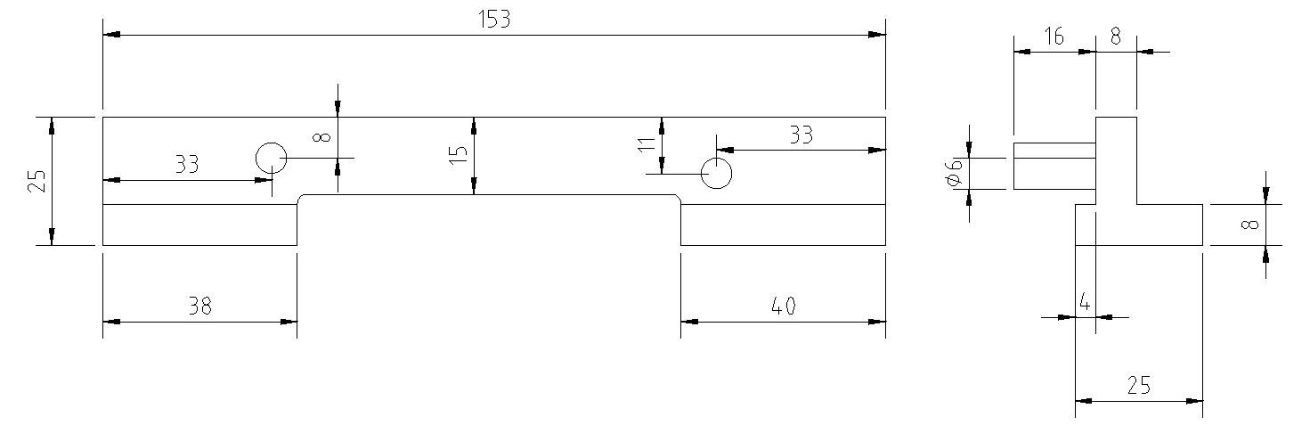
T3880202(по размерам от "warp9.9" - https://www.r3owners.net/threads/camshaft-locking-tool-dimensions.14170/)

T3880068 измеряемый размер - 16мм
T3880202(по размерам от "warp9.9" - https://www.r3owners.net/threads/camshaft-locking-tool-dimensions.14170/)

T3880068 измеряемый размер - 16мм